公司简介
企业文化
资质证书
薄型气缸
标准气缸
磁藕无杆气缸
迷你气缸
双杆气缸
三杆气缸
手指气缸
自由安装气缸
剪刀气缸
夹紧气缸
滑台气缸
机械无杆气缸
旋转气缸
针型气缸
升台气缸
转角气缸
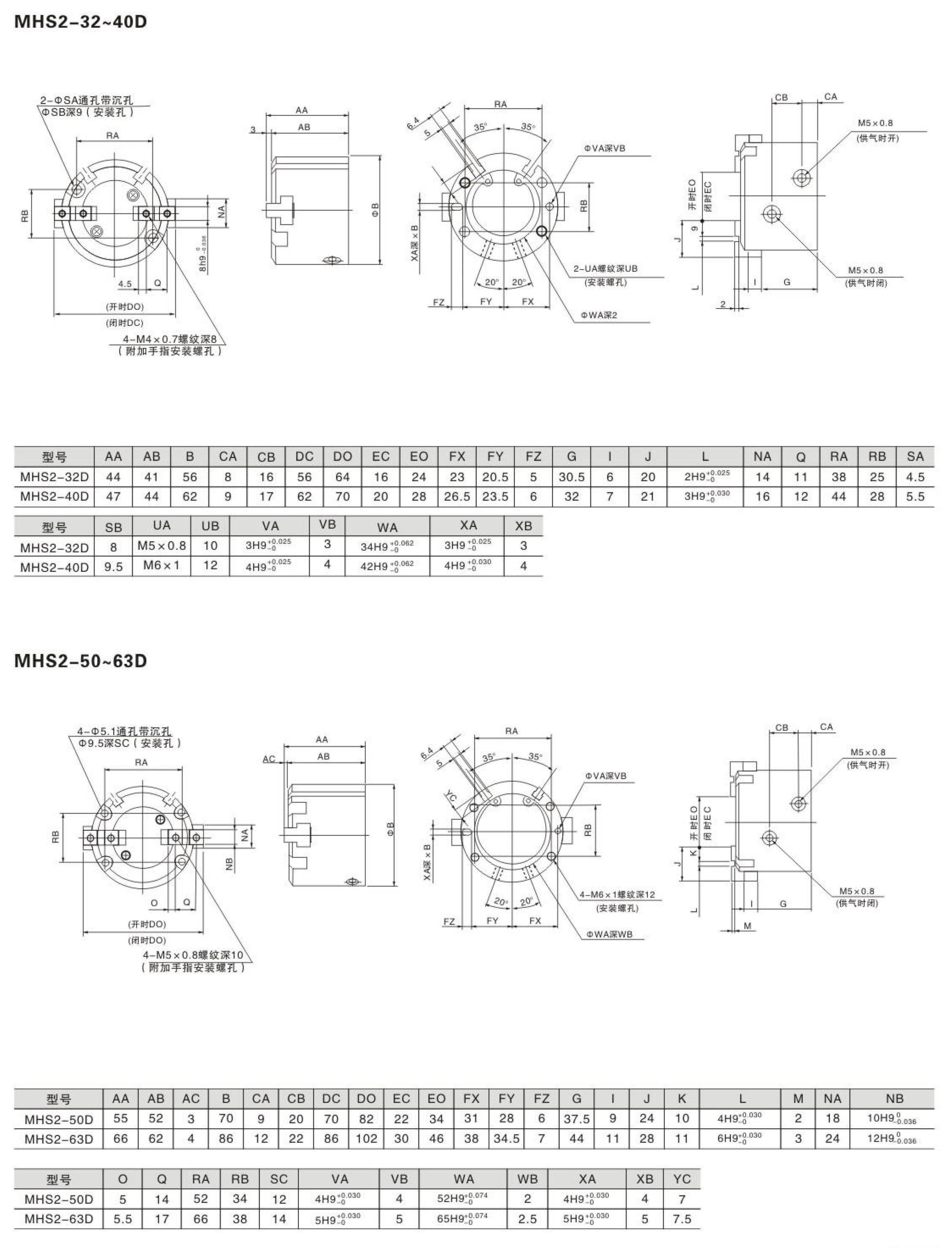
MHS2
浏览次数:468次
地址:浙江省温州市乐清市柳市吕庄工业区
手机:188 1512 2972
邮箱:739877211@qq.com